| Ana Sayfa | Kurumsal | İletişim |

 
  Ana Sayfa > Ürünler > CLR-QSFP-LR4
   
 
 
CLR-QSFP-LR4
 
40GBASE-LR QSFP+ Module
LC Duplex DDM 10km
 
 
 
CLR-QSFP-LR4
   
  Genel
   
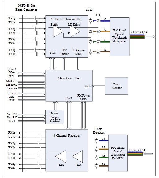
  CLR-QSFP-LR4 4x10G çalışan, hot-pluggable optik alıcı-verici (SFP) modüldür. Tek bir SFP kutusu içine 4 adet verici, 4 adet alıcı ve bir adet Mux/Demux yerleştirilmiştir. Bu birleşim 40Gbps veri iletimine imkan veren kompakt bir QSFP haline gelmiştir.

Optik iletişimi sağlayan, biri TX diğeri RX olmak üzere iki adet SMF LC konnektör girişine sahiptir. TX ve RX bacaklarının her biri 4 adet 10Gb/s CWDM kanallarına sahiptir.

CLR-QSFP-LR4 transceiver modülü 40GBASE-LR4 standardı olan IEEE 802.3ba standardına dayalı uygulamalar için tasarlanmıştır.
   
  Uygulamalar
   
  - 40GBASE-LR4 40G Ethernet linkleri
  - Infiniband QDR ve DDR interconnect
  - Client tarafı 40G Telekom bağlantıları
   
  Ürün Özellikleri
   
 
  Kanal sayısı : 4 adet CWDM kanalı. 1270, 1290, 1310 ve 1330nm ITU G.694.2 dalgaboyu gridini kullanan, un-cooled DFB laserleri  
  Kanal başına hız - Toplam hız : 11.2Gbps/kanal - 40Gbps
IEEE 802.3ba spesifikasyonuna uygun olan 40GBase-LR4 linkler
 
  Modül tipi : MSA uyumlu Hot Pluggable QSFP+  
  Her bir kanal özellikleri : High Sensitivity PIN-TIA with optical DEMUX  
  Maksimum Güç Tüketimi : <3.5 W  
  İletim mesafesi : Singlemode fiber optik kablo ile 10km  
  Optik arayüz konnektör tipi : Duplex LC  
  Diğer : QDR/DDR Infiniband data hızları ile uyumlu  
  Güç kaynağı - besleme gerilimi : 3.3V  
  Çalışma Sıcaklığı : 0°C ~ 70 °C  
  Diğer : Built-in digital diagnostic functions  
   
  Modül Blok Diyagramı
   
  CLR-QSFP-LR4 blok diagram